市政府门户网站
|
|
关怀版
|
无障碍浏览
|
用户空间
|
@国务院 我来说
景德镇市国防动员办公室
首页
政务资讯
政府信息公开
政务服务
政民互动
人防知识
政务开展
当前位置:
首页
>
政务公开
>
法定主动公开内容
>
其他法定公开信息
>
政府网站工作年度报表
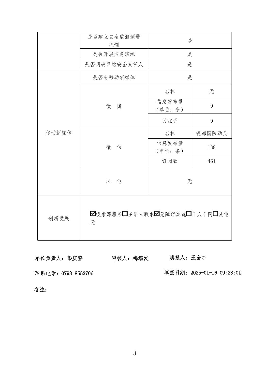
景德镇市国动办政府网站工作年度报表(2024年度)
来源:市国动办
发布时间:2025-01-16 09:32
访问量:
相关文档:
相关附件:
1007832
景德镇市国动办政府网站工作年度报表(2024年度)
20
市国动办
2025-01-16
1315
政府网站工作年度报表